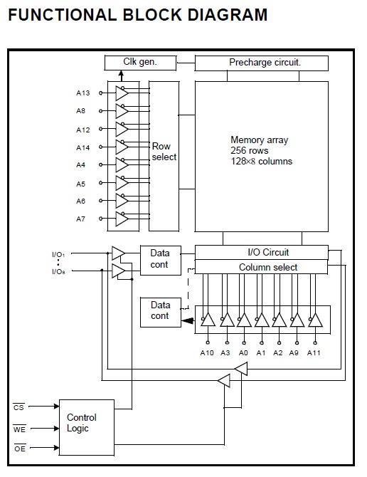
Product Summary
The K6T4008V1C-VB70 is a 512Kx8 bit low power and low voltage CMOS static RAM, which is also a kind of Samsung semiconductor. The K6T4008V1C-VB70 is fabricated by SAMSUNG advanced CMOS process technology. The K6T4008V1C-VB70 supports various operating temperature range and have various package type for user flexibility of system design.
Parametrics
K6T4008V1C-VB70 absolute maximum ratings: (1)Voltage on any pin relative to Vss: -0.5 to VCC+0.5 V; (2)Voltage on Vcc supply relative to Vss: -0.3 to 4.6 V; (3)Power Dissipation: 1.0 W; (4)Storage temperature: -65 to 150℃; (5)Operating Temperature: 0 to 70 ℃ and -40 to 85 ℃.
Features
K6T4008V1C-VB70 features: (1)Process Technology: TFT; (2)Organization: 512K×8; (3)Power Supply Voltage: 3.0~3.6V; (4) Low Data Retention Voltage: 2V(Min); (5)Three state output and TTL Compatible; (6)Package Type: 32-SOP-525, 32-TSOP2-400F/R, 32-TSOP1-0820F, 32-TSOP1-0813.4F.
Diagrams

![]() |
![]() K6T4008C1B |
![]() Other |
![]() |
![]() Data Sheet |
![]() Negotiable |
|
||||
![]() |
![]() K6T4008U1C-B |
![]() Other |
![]() |
![]() Data Sheet |
![]() Negotiable |
|
||||
![]() |
![]() K6T4008U1C-F |
![]() Other |
![]() |
![]() Data Sheet |
![]() Negotiable |
|
||||
![]() |
![]() K6T4008V1C-B |
![]() Other |
![]() |
![]() Data Sheet |
![]() Negotiable |
|
||||
![]() |
![]() K6T4008V1C-F |
![]() Other |
![]() |
![]() Data Sheet |
![]() Negotiable |
|
||||
![]() |
![]() K6T4016U3C |
![]() Other |
![]() |
![]() Data Sheet |
![]() Negotiable |
|
||||
(China (Mainland))








