Product Summary
The CM400DY-66H is a high voltage insulated gate bipolar transistor module(HVIGBT). It is widely used in inverters, Converters, DC choppers, Induction heating, DC to DC converters.
Parametrics
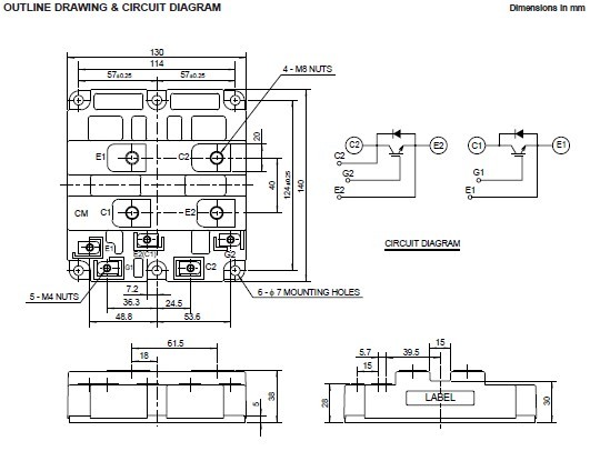
CM400DY-66H absolute maximum ratings: (1)Collector-emitter voltage G-E Short, VCES: 3300V; (2)Gate-emitter voltage G-E Short, VCES: ±20V; (3)Collector current, TC = 25℃, IC: 400A; (4)Collector current, ICM Pulse: 800A; (5)Emitter current, TC = 25℃, IE: 400A; (6)Emitter current, IEM, Pulse: 800A; (7)Maximum collector dissipation, TC = 25℃, IGBT part, PC: 3400W; (8)Junction temperature, Tj: -40 to +150℃ ; (9)Storage temperature, Tstg: -40 to +125℃; (10)Viso Isolation voltage Charged part to base plate, rms, sinusoidal, AC 60Hz 1min: 6000V; (11)Mounting torque Main terminals screw8: 6.67 to 13.00N·m; (12)Mounting screw, M6: 2.84 to 6.00N·m; (13)Auxiliary terminals screw, M4: 0.88 to 2.00N·m; (14)Mass Typical value: 1.5kg.
Features
CM400DY-66H features: (1)IC: 400A; (2)VCES: 3300V; (3)Insulated Type; (4)2-elements in a pack.
Diagrams

| Image | Part No | Mfg | Description | ![]() |
Pricing (USD) |
Quantity | ||||||||||||||||
|---|---|---|---|---|---|---|---|---|---|---|---|---|---|---|---|---|---|---|---|---|---|---|
![]() |
![]() CM400DY-66H |
![]() Other |
![]() |
![]() Data Sheet |
![]() Negotiable |
|
||||||||||||||||
| Image | Part No | Mfg | Description | ![]() |
Pricing (USD) |
Quantity | ||||||||||||||||
![]() |
![]() CM400DU-12F |
![]() |
![]() IGBT MOD DUAL 600V 400A F SER |
![]() Data Sheet |
![]()
|
|
||||||||||||||||
![]() |
![]() CM400DU-12H |
![]() |
![]() IGBT MOD DUAL 600V 400A U SER |
![]() Data Sheet |
![]()
|
|
||||||||||||||||
![]() |
![]() CM400DU-12NFH |
![]() |
![]() IGBT MOD DUAL 600V 400A NFH SER |
![]() Data Sheet |
![]()
|
|
||||||||||||||||
![]() |
![]() CM400DU-24F |
![]() |
![]() IGBT MOD DUAL 1200V 400A F SER |
![]() Data Sheet |
![]()
|
|
||||||||||||||||
![]() |
![]() CM400DU-24H |
![]() |
![]() IGBT MOD DUAL 1200V 400A U SER |
![]() Data Sheet |
![]()
|
|
||||||||||||||||
![]() |
![]() CM400DU-24NFH |
![]() |
![]() IGBT MOD DUAL 1200V 400A NFH SER |
![]() Data Sheet |
![]()
|
|
||||||||||||||||
(China (Mainland))









