Product Summary
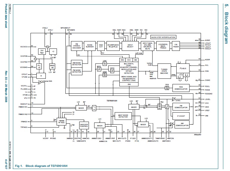
The TEF6901AH is a single-chip car radio integrated circuit with FM/AM tuner, stereo decoder, weak signal processing and audio processing. Radio Data System (RDS)/Radio Broadcast Data System (RBDS) demodulator for radio data reception is included. The TEF6901AH can be controlled via the fast-mode I2C-bus (400 kHz) and includes autonomous tuning functions for easy control without microcontroller timing. No manual alignments are required.
Parametrics
TEF6901AH absolute maximum ratings: (1)VCC, analog supply voltage on pins VCC, VCCPLL, VCCVCO, VCCRF, AMMIX2OUT1, AMMIX2OUT2, MIX1OUT1 and MIX1OUT2: -0.3 to +10 V; (2)△VCC, voltage difference between any VCC pins: -0.3 to +0.3 V; (3)VV60, supply voltage for FM filter and demodulator: -0.3 to VCC + 0.3 V; (4)VI, digital input voltage on pins SCL, SDA and ADDR: -0.3 to +5.5 V; (5)Vn, voltage on all other pins: -0.3 to VCC + 0.3 V; (6)Tstg, storage temperature: -40 to +150 ℃; (7)Tj, junction temperature: - 150 ℃ max; (8)Tamb, ambient temperature: -40 to +85 ℃; (9)Vesd electrostatic discharge voltage on all pins except VCCVCO: human body model: -2000 to +2000 V; machine model: -200 to +200 V; (10)Vesd electrostatic discharge voltage on pin VCCVCO: human body model: -1750 to +1750 V; machine model: -175 to +175 V.
Features
TEF6901AH features: (1)FM Radio Frequency (RF) front-end with large dynamic range; (2)Integrated FM channel filter with controlled bandwidth; (3)Fully integrated FM demodulator; (4)Fully integrated stereo decoder with high immunity for birdy noise; (5)FM noise blanker with adaptive detectioat MPX and level; (6)Signal quality detection: level, AM wideband, frequency deviation, ultrasonic noise/adjacent channel; (7)FM weak signal processing: stereo blend, high cut control and soft mute; (8)AM RF Automatic GaiControl (AGC) circuit for external cascode AGC and Positive Intrinsic Negative (PIN) diode AGC; (9)Dual AM noise blanking system; (10)AM weak signal processing: high cut control and soft mute; (11)Low phase noise local oscillator; (12)In-lock detectiofor optimized adaptive Phase-Locked Loop (PLL) tuning speed; (13)Crystal oscillator reference with low harmonics; (14)Inaudible soft slope tuning mute for AM and FM; (15)Sequential state machine supporting each tuning action; (16)Integrated RDS/RBDS radio data demodulator; (17)Flexible audio input source selection; (18)Integrated audio processing and tone filtering; (19)Treble, bass and loudness tone control; (20)Volume, balance, fader and input gaicontrol; (21)Audio controls with Audio Step Interpolatio(ASI) for pop-free function; (22)Compact Disc (CD) dynamics compression; (23)Volume Unit (VU)-meter audio level read-out.
Diagrams

| Image | Part No | Mfg | Description | ![]() |
Pricing (USD) |
Quantity | ||||||||||||
|---|---|---|---|---|---|---|---|---|---|---|---|---|---|---|---|---|---|---|
![]() |
![]() TEF6901AH/V2 |
![]() NXP Semiconductors |
![]() Tuners TUNER ASP ONECHIP |
![]() Data Sheet |
![]() Negotiable |
|
||||||||||||
![]() |
![]() TEF6901AH/V2,518 |
![]() NXP Semiconductors |
![]() Tuners TUNER ASP ONECHIP |
![]() Data Sheet |
![]() Negotiable |
|
||||||||||||
![]() |
![]() TEF6901AH/V2-T |
![]() NXP Semiconductors |
![]() Tuners TUNER ASP ONECHIP |
![]() Data Sheet |
![]() Negotiable |
|
||||||||||||
![]() |
![]() TEF6901AH/V3 |
![]() NXP Semiconductors |
![]() Tuners TUNER ASP ONECHIP |
![]() Data Sheet |
![]() Negotiable |
|
||||||||||||
![]() |
![]() TEF6901AH/V2,557 |
![]() NXP Semiconductors |
![]() Tuners TUNER ASP ONECHIP |
![]() Data Sheet |
![]() Negotiable |
|
||||||||||||
![]() |
![]() TEF6901AH/V3,518 |
![]() NXP Semiconductors |
![]() Tuners TUNER ASP ONECHIP |
![]() Data Sheet |
![]() Negotiable |
|
||||||||||||
![]() |
![]() TEF6901AH/V5S,518 |
![]() NXP Semiconductors |
![]() Tuners INTEGRATED CAR RADIO |
![]() Data Sheet |
![]()
|
|
||||||||||||
![]() |
![]() TEF6901AH/V5S,557 |
![]() NXP Semiconductors |
![]() Tuners INTEGRATED CAR RADIO |
![]() Data Sheet |
![]()
|
|
||||||||||||
(China (Mainland))










