Product Summary
The 6MBP20RTA060 is a triode transistor. The applications of it are AC and DC servo drive amplifier, Uninterruptible power supply, Industrial machines,such as welding machines.
Parametrics
6MBP20RTA060 absolute maximum ratings: (1)bus voltage: DC:0V to 450V, surge:0V to 500V, short operating:200V to 400V; (2)collector-emitter voltage:0V to 600V; (3)collector current: IC:20A, ICP:40A, -IC:20A; (4)collector power dissipation:103W; (5)supply voltage:-0.5V to 20V; (6)input signal voltage:-0.5V to VCC+0.5V; (7)input signal current:1mA; (8)alarm signal voltage:-0.5V to VCC; (9)alarm signal current:20mA; (10)junction temperature:150℃; (11)operating case temperature:-20℃ to 100℃; (12)storage temperature:-40℃ to 125℃; (13)isolating voltage:AC2500V; (14)solder temperature:260℃; (15)screw torque:2.0Nm.
Features
6MBP20RTA060 features: (1)High speed switching; (2)Low saturation voltage; (3)Voltage drive; (4)300A,1400V.
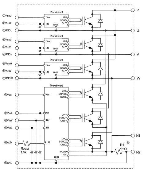
Diagrams

![]() |
![]() 6MBP 150RA-060 |
![]() Other |
![]() |
![]() Data Sheet |
![]() Negotiable |
|
||||
![]() |
![]() 6MBP 15RH-060 |
![]() Other |
![]() |
![]() Data Sheet |
![]() Negotiable |
|
||||
![]() |
![]() 6MBP 75RA-120 |
![]() Other |
![]() |
![]() Data Sheet |
![]() Negotiable |
|
||||
![]() |
![]() 6MBP100RTA-060 |
![]() Other |
![]() |
![]() Data Sheet |
![]() Negotiable |
|
||||
![]() |
![]() 6MBP100RTB060 |
![]() Other |
![]() |
![]() Data Sheet |
![]() Negotiable |
|
||||
![]() |
![]() 6MBP150RA120 |
![]() Other |
![]() |
![]() Data Sheet |
![]() Negotiable |
|
||||
(China (Mainland))








